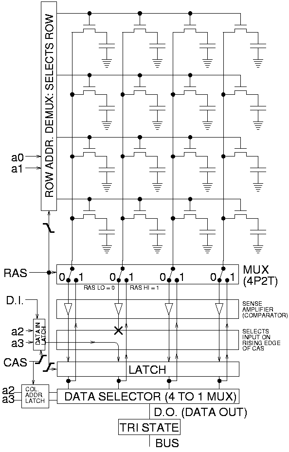
DRAM write

compared to read, DRAM write is somewhat more complicated:

single MOSFET memory cell